3 技术条件
3.1 环境基准条件
环境温度:20±2℃
相对湿度:45%~75%
大气压力:86~106Kpa
3.2 正常使用条件
环境温度:-10℃~+50℃
环境相对湿度:不大于90%
大气压力:80~110Kpa
储存和运输过程中的极限温度:-25℃~+70℃
3.3 额定参数
直流电源额定电压:220V,110V;
电压允许波动范围:0.8~1.15倍额定电压。
3.4 最大功耗:
直流回路:额定电压220VDC情况下,不大于6W。
3.5 触点最大容量:
切断负载能力:直流250V以下,τ=5ms,感性负载50W,阻性负载150W;
交流250V以下,负载1200VA;
允许长期接通电流:5A。
3.6 绝缘电阻:用开路电压500V兆欧表测量装置各导电端子连在一起对外露的非带电金属部分之间绝缘电阻应不小于10MΩ。
3.7 绝缘耐压:各引出端子对机箱外壳能承受工频电压2000V,同组触点间能承受工频电压1000V,历时一分钟无击穿。
3.8 抗干扰性能:符合国家GB6162-85《静态继电器及保护装置的电气干扰试验》标准。
3.9 电气寿命:在DC250V回路,切断电流τ=5ms,50W时,104次以上。
3.10 机械寿命:触点在空载状态下为300万次。
4 装置工作原理及布置
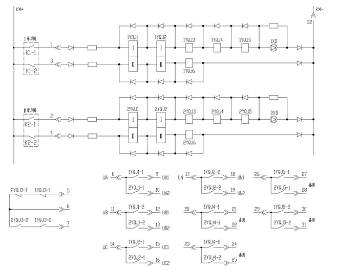
4.1 电压切换装置原理图如下:

4.2 工作原理:
切换装置交流电压切换回路的起动有两种选择方式,方式一是两段母线切换都由各自隔离刀闸开接点启动,闭接点复位,方式二是两段母线切换都由隔离刀闸开接点启动,互为复位。
4.2.1 方式一(两段母线切换都由各自隔离刀闸开接点启动,闭接点复位)动作过程:
当Ⅰ母隔离刀闸辅助开接点K1-1闭合时,1YQJ1~1YQJ6动作,其中1YQJ1、1YQJ2的接点自保持,1XD亮,指示交流电压由Ⅰ母PT接入;当Ⅰ母隔离刀闸辅助开接点K1-1断开,辅助闭接点K1-2闭合时,将1YQJ1、1YQJ2进行复位。1YQJ3~1YQJ6的接点为不带自保持的瞬动接点。
当Ⅱ母隔离刀闸辅助开接点K2-1闭合时,2YQJ1~2YQJ6动作,其中2YQJ1、2YQJ2的接点自保持,2XD亮,指示交流电压由Ⅱ母PT接入;当Ⅱ母隔离刀闸辅助开接点K2-1断开,辅助闭接点K2-2闭合时,将2YQJ1、2YQJ2进行复位。2YQJ3~2YQJ6的接点为不带自保持的瞬动接点。
4.2.2方式二(两段母线切换都由隔离刀闸开接点启动,互为复位)动作过程:
首先将装置背板端子“1”和“4”,“2”和“3”进行短接,当Ⅰ母隔离刀闸辅助开接点K1-1闭合时,1YQJ1~1YQJ6动作,其中1YQJ1、1YQJ2的接点自保持,1XD亮,指示交流电压由Ⅰ母PT接入,同时复位2YQJ1、2YQJ2。当Ⅱ母隔离刀闸辅助开接点K2-1闭合时,2YQJ1~2YQJ6动作,其中2YQJ1、2YQJ2的接点自保持,2XD亮,指示交流电压由Ⅱ母PT接入,同时复位1YQJ1、1YQJ2。当Ⅰ、Ⅱ母隔离刀闸辅助开接点都闭合时,对于自保持继电器,先闭合的母线回路继电器处于动作状态,后励磁回路的自保持继电器不动作。
4.3 装置背板端子图(一个独立切换回路的端子图)

4.3.1 当方式一(两段母线切换都由各自隔离刀闸开接点启动,闭接点复位)时,端子“5”和“6”为控制回路断线信号输出接点,若需输出同时动作信号,应为端子“18”和“19”。
4.3.2当方式二(两段母线切换都由隔离刀闸开接点启动,互为复位)时,端子“5”和“6”,“6”和“7”分别为控制回路断线和切换同时动作信号输出接点。
4.4装置面板布置图

5 装置外形、开孔尺寸结构图
采用标准4U机箱,两个切换插件为一个单元机箱。

6 订货须知
订货时请写明装置型号、规格、数量、直流电源额定电压和其它要求。