3 技术条件
3.1 环境基准条件
环境温度:20±2℃
相对湿度:45%~75%
大气压力:86~106Kpa
3.2 正常使用条件
环境温度:-10℃~+50℃
环境相对湿度:不大于90%
大气压力:80~110Kpa
储存和运输过程中的极限温度:-25℃~+70℃
3.3 额定参数
直流电源额定电压:220V,110V;
电压允许波动范围:0.8~1.15倍额定电压。
3.4 最大功耗:
直流回路:额定电压220VDC情况下,不大于6W。
3.5 触点最大容量:
切断负载能力:直流250V以下,τ=5ms,感性负载50W,阻性负载150W;
交流250V以下,负载1200VA;
允许长期接通电流:5A。
3.6 绝缘电阻:用开路电压500V兆欧表测量装置各导电端子连在一起对外露的非带电金属部分之间绝缘电阻应不小于10MΩ。
3.7 绝缘耐压:各引出端子对机箱外壳能承受工频电压2000V,同组触点间能承受工频电压1000V,
历时一分钟无击穿。
3.8 抗干扰性能:符合国家GB6162-85《静态继电器及保护装置的电气干扰试验》标准。
3.9 电气寿命:在DC250V回路,切断电流τ=5ms,50W时,104次以上。
3.10 机械寿命:触点在空载状态下为300万次。
4 装置工作原理及布置
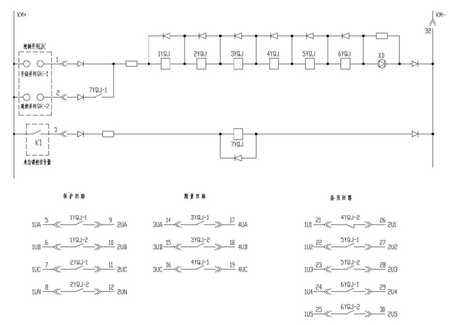
4.1 电压并列装置原理图如下:

4.2 装置背板端子图(一个独立并列回路的端子图)

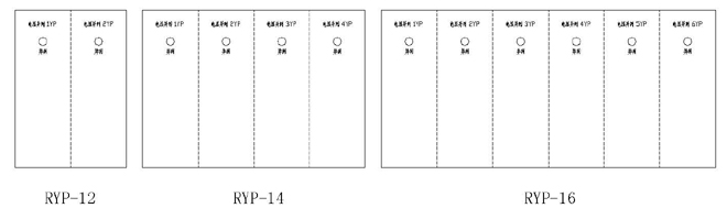
4.3装置面板布置图

5 装置外形、开孔尺寸结构图
采用标准4U机箱,两个并列插件为一个单元机箱。

6 订货须知
订货时请写明装置型号、规格、数量、直流电源额定电压和其它要求。